Tehnični parametri
|
Št. |
SPL - 20W-A |
|||
|
Barva |
3000K |
4000K |
6000K |
Drugi |
|
Povezava |
2-žilna povezava |
2-žilna povezava |
2-žilna povezava |
/ |
|
Moč |
20W |
20W |
20W |
/ |
|
Vhodna napetost |
AC/DC 12 |
AC/DC 12 |
AC/DC 12 |
/ |
|
LED čip |
SMD5730 LED čip |
|||
|
Frekvenca |
50/60Hz |
|||
|
Cri |
>80RA |
|||
|
Kot snopa |
120 stopinj |
|||
|
IP stopnja |
IP68 |
|||
|
Dimenzija |
Φ290x 49,5 mm |
|||
|
Material |
ABS + Transparent Cover PC |
|||
|
Garancija |
2 leti |
|||

Specifikacija izdelka

Pogled spredaj

Pogled nazaj

Dimenzija

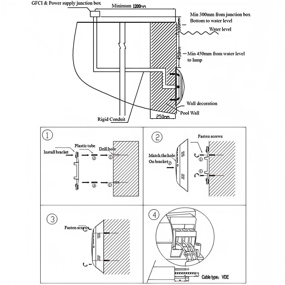
Diagram povezave

Način namestitve

Aplikacija

Priljubljena oznake: Osvetljeni bazen 6000K, Kitajska proizvajalci, dobavitelji, tovarni