
Tehnični parametri
|
Št. |
Sp56 - 18w-b (S2835) |
|||
|
Barva |
RGB |
RGB |
RGB |
RGB |
|
Metoda nadzora |
100% sinhronizacija |
Oddaljeni in stikalni nadzor |
Zunanji nadzor |
DMX nadzor |
|
Povezava |
2-žilna povezava |
2-žilna povezava |
4-žilna povezava |
5-žilna povezava |
|
Moč |
18W |
18W |
18W |
18W |
|
Vhodna napetost |
AC/DC 12 |
AC12 |
DC12 |
AC/DC12 |
|
LED čip |
SMD2835 LED čip |
|||
|
Frekvenca |
50/60Hz |
|||
|
Cri |
>80RA |
|||
|
Kot snopa |
120 stopinj |
|||
|
IP stopnja |
IP68 |
|||
|
Dimenzija |
Φ177x 30,5 mm |
|||
|
Material |
ABS+PC |
|||
|
Garancija |
2 leti |
|||

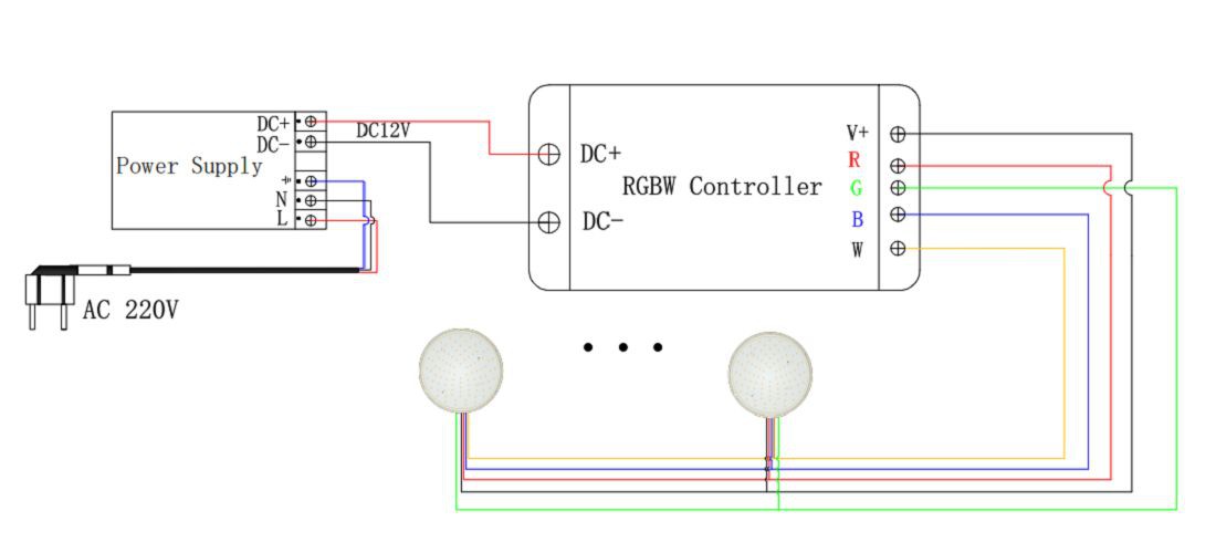
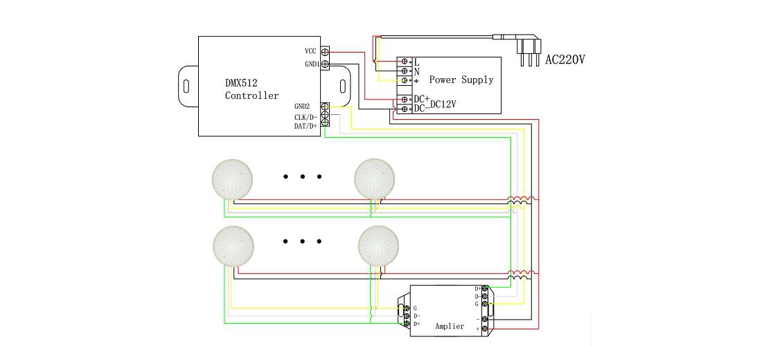
Diagram povezave




1) Vhodna napetost je AC/DC12V 100%sinhrona
Max 200m pregrada brez daljinske krmilne razdalje
2) Daljinski nadzor 20 LED luči bazena Potreben ojačevalnik, če povežemo več
3) 7 statične svetle barve, 7 cikla načinov, 8 hitrosti 14 prednastavljenih svetlobnih barvnih načinov.
4) vključno s tremi načini krmiljenja sinhronega daljinskega upravljalnika, napajanjem - izklopljenega pomnilnika in načinov samodejnega cikla.


1) Vhodna napetost je AC12V MAX 200m pregrada brez daljinske krmilne razdalje
2) barva RGB/RGBW/RGBWW, ki se je spremenila z 18-ključi daljinskim upravljalnikom ali stikalom (vklopljeno/izklop)
3) daljinski nadzor 15 psov ali več LED luči bazena hkrati
Zunanji nadzor (žična povezava 4/5/6)
1) Vhodna napetost je dc12v Max 20-40m pregrada brez oddaljene krmilne razdalje
3) lahko nastavite kateri koli časovnik, da vklopite svetilko, izklopite svetilko in nastavite drugačno Način osvetlitve
DMX nadzor(Žična povezava 4/5/6)
- 1) Vhodna napetost je AC/DC12V MAX 200M BARY BREZ NAMETNIH RAZRAK
- 2) Programi lahko pišete za doseganje različnih barvnih učinkov.

Aplikacija

Priljubljena oznake: 12V Ingreund Bazen Lights, Kitajska 12V Proizvajalci bazenskih luči, dobavitelji, tovarna